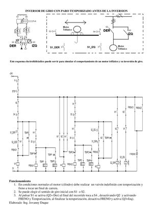
Inversor De Giro Con Paro Temporizado Antes De La Inversion 1tia
Read

Inversor De Giro Con Paro Temporizado Antes De La Inversion 1tia

plc, simulacion de circuitos hidráulicos, circuitos hidraulicos, programación de plc, circuitos hidráulicos, válvula de estrangulación y antirretorno , lenguaje ladder hidráulica, VÁLVULA DE ESTRANGULACIÓN Y ANTIRRETORNO, programacion ladder... More

Read the publication