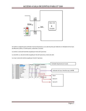
Proyecto Plc Siemens Contador Up And Down
Read

Proyecto Plc Siemens Contador Up And Down

plc, simulacion de circuitos hidráulicos, circuitos hidraulicos, programación de plc, circuitos hidráulicos, válvula de estrangulación y antirretorno , lenguaje ladder hidráulica, VÁLVULA DE ESTRANGULACIÓN Y ANTIRRETORNO, programacion ladder... More

Read the publication