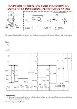
Plc Siemens S7 1200 Inversor De Giro Con Paro Temporizado Antes De La Inversion
Read

Plc Siemens S7 1200 Inversor De Giro Con Paro Temporizado Antes De La Inversion

plc, simulacion de circuitos hidráulicos, circuitos hidraulicos, programación de plc, circuitos hidráulicos, válvula de estrangulación y antirretorno , lenguaje ladder hidráulica, VÁLVULA DE ESTRANGULACIÓN Y ANTIRRETORNO, programacion ladder... More

Read the publication