ДИАГНОСТИКА НЕИСПРАВНОСТЕЙ E957 Принципиальная электросхема цепи источника питания контроллера двигателя ОТСЕК АККУМУЛЯТОРНОЙ БАТАРЕИ Предохранитель ная перемычка Реле аккумуляторной батареи (Зеленый) (Зеленый) Пусковой включатель Аккумуляторная батарея...
More
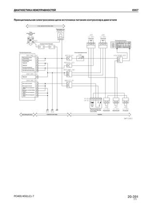
ДИАГНОСТИКА НЕИСПРАВНОСТЕЙ E957 Принципиальная электросхема цепи источника питания контроллера двигателя ОТСЕК АККУМУЛЯТОРНОЙ БАТАРЕИ Предохранитель ная перемычка Реле аккумуляторной батареи (Зеленый) (Зеленый) Пусковой включатель Аккумуляторная батарея Контроллер двигателя Блок предохранителей Источник питания (+24 В: ECU) Источник питания (+24 В: ECU) "МАССА" "МАССА" Сигнал включения пускового включателя Пусковой включатель (ACC) "МАССА" Источник питания Источник питания “МАССА” источника пи тания Источник питания (фор сунки) “МАССА” источника пи тания “МАССА” источника пи тания Реле источника пита ния контроллера дви (Оранжевый) (Оранжевый) (Розовый) гателя (EDU) МОТОРНЫЙ ОТСЕК ПОВОРОТНАЯ РАМА КАБИНА PC400/450(LC) 7 20 391 (1)
Less