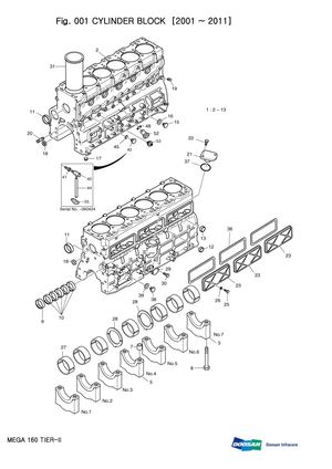
Read Daewoo Doosan Mega 160 Tier Ii Wheel Loader Parts Catalogue Manual By dkms8e9diiok Fig. 001 CYLINDER BLOCK [2001 ~ 2011] MEGA 160 TIER-II Fig. 001 CYLINDER BLOCK [2001 ~ 2011] MEGA 160 TIER-II Less Read the publication