B005 B004 & B003 Q1 & >1 Q (RELE T.) I1 I (KM1) (PARADA) I2 I B008 & (MARCHA) I3 I B002 TrgTEMPORIZADOR B009 Q2 ESTRELLA & Q T (KM3) Ta: 03:00s T: 03:00s Rem = off 03:00s+ B011 Q3 & TRIANGULO Q B001 TrgTEMPORIZADOR (KM2) T Ta: 03:03s T: 03:03s Rem = off...
More
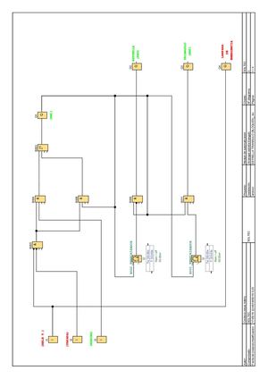
B005 B004 & B003 Q1 & >1 Q (RELE T.) I1 I (KM1) (PARADA) I2 I B008 & (MARCHA) I3 I B002 TrgTEMPORIZADOR B009 Q2 ESTRELLA & Q T (KM3) Ta: 03:00s T: 03:00s Rem = off 03:00s+ B011 Q3 & TRIANGULO Q B001 TrgTEMPORIZADOR (KM2) T Ta: 03:03s T: 03:03s Rem = off 03:03s+ Q4 LAMPARA Q DE EMERGENCIA Autor: Cordova Jesus Aderly Proyecto: Modulo de automatizacion Cliente: SOLTEC Comprobado: SOLTEC SOLTEC Instalación: Arranque estrella triangulo Nº diagrama: 3 Fecha de creación/modificación: 17/05/19 22:46/18/05/19 0:25 archivo: ESTRELLA TRIANGULO (BLOQUES)_.lsc Página: 1/4
Less